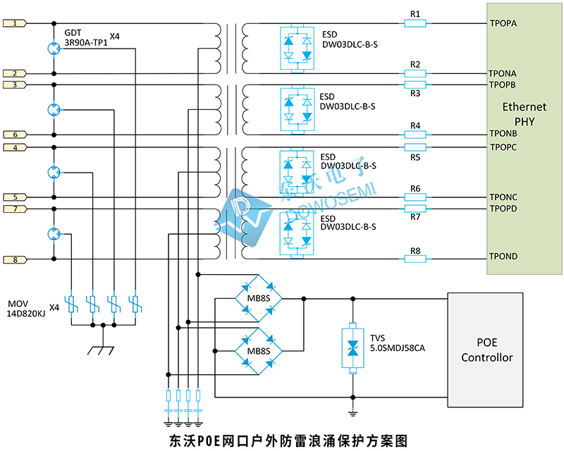
POE网口户外防雷防浪涌保护方案图及保护器件选型指南
Power Over Ethernet,英文缩写:POE,中文:以太网供电,是指通过网线传输电力的一种技术,借助现有以太网通过网线同时为IP终端设备(IP电话、无线AP、便携设备充电器、刷卡机、摄像头等等)进行数据传输和供电。对于电子产品来说,室外环境比室内严酷得多,POE以太网端口应用于户外/室外时,可能会受到雷击、电力突变、电力故障等因素引起的电气干扰,带来电压波动、浪涌电流等问题。如果没有采取合适的防雷击浪涌防护,电气浪涌可能会对POE以太网端口产生瞬间过电压,影响整个网络的稳定性和可靠性,导致设备故障甚至损坏。
为了保证设备正常运作,减少维修和替换成本,提高网络的稳定性,POE以太网端口户外防雷击浪涌保护是非常有必要的。针对POE以太网端口雷击浪涌静电问题,建议在POE网口增加防雷浪涌防护器件来保护设备免受电气浪涌的威胁和损坏。

以上是POE网口户外防雷浪涌保护方案详细介绍,如有特殊需求,欢迎前来探讨。方案中选用到的陶瓷气体放电管3R90A-TP1、高焦耳压敏电阻14D820KJ、整流桥MB8S、TVS二极管SMCJ58CA和5.0SMDJ58CA、ESD二极管DW03DLC-B-S,华威光电均有代理分销、原厂直供,品质稳定、高可靠性、交期迅速,欢迎广大新老客户前来咨询:13757736996(微信同号)余经理
